DIN 7991 (ISO 10642) 08.8 – śruba z łbem stożkowym z gniazdem sześciokątnym ze stali ocynkowanej czarnej

SKU: DIN 7991 (ISO 10642) 08.8

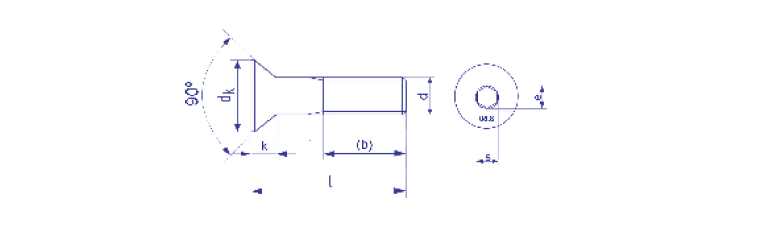
Schemat

DIN 7991 (ISO 10642) 08.8

Wymiary

dM4M5M6M8M10M12M16M20
dk810121620243036
k max2,32,83,34,45,56,57,58,5
b (l ≤ 125)1416182226303846
t1,82,32,53,54,44,65,35,9
e min2,873,444,585,726,869,1511,4313,72
s2,5345681012
l
84×85×8
104×105×10
124×125×126×128×12
164×165×166×168×16
204×205×206×208×2010×20
255×256×258×2510×2512×25
305×306×308×3010×3012×30
356×358×3510×3512×3516×35
406×408×4010×4012×4016×40
458×4510×4512×4516×45
506×508×5010×5012×5016×5020×50
608×6010×6012×6016×6020×60
708×7010×7012×7016×7020×70
808×8010×8012×8016×8020×80
9012×9016×90
10012×100
11012×110

Zapytaj o produkt

Pomożemy Ci dobrać rozwiązanie dopasowane do Twoich potrzeb.

Nasz dział Obsługi Klienta skontaktuje się z Tobą i omówi dalszą współpracę!