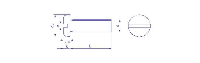
Schemat
Wymiary
| d | M3 | M4 | M5 | M6 |
| dk | 6 | 8 | 10 | 12 |
| k | 1,8 | 2,4 | 3 | 3,6 |
| w min | 0,7 | 1 | 1,2 | 1,4 |
| t min | 0,7 | 1 | 1,2 | 1,4 |
| n | 0,8 | 1,2 | 1,3 | 1,6 |
| l | ||||
| 5 | 3×5 | |||
| 6 | 3×6 | 4×6 | ||
| 8 | 3×8 | 4×8 | 5×8 | |
| 10 | 3×10 | 4×10 | 5×10 | |
| 12 | 3×12 | 4×12 | 5×12 | 6×12 |
| 16 | 3×16 | 4×16 | 5×16 | 6×16 |
| 20 | 3×20 | 4×20 | 5×20 | 6×20 |
| 25 | 3×25 | 4×25 | 5×25 | 6×25 |
| 30 | 3×30 | 4×30 | 5×30 | 6×30 |
| 35 | 5×35 | |||
| 40 | 4×40 | 5×40 | ||
| 50 | 5×50 |
Zapytaj o produkt
Pomożemy Ci dobrać rozwiązanie dopasowane do Twoich potrzeb.
Nasz dział Obsługi Klienta skontaktuje się z Tobą i omówi dalszą współpracę!




