Nakrętka sześciokątna ocynkowana DIN 934 – klasa wytrzymałości 8

SKU: DIN 934 8

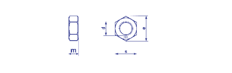
Schemat

DIN 934 8

Wymiary

dM3M4M5M6M8M10M12M14M16M18M20M22M24M27M30M33M36
m2,43,2456,581011131516181922242629
s5,5781013171922242730323641465055
e min6,017,668,7911,0514,3818,921,124,4926,7529,5632,9535,0339,5545,250,8555,3760,79

Zapytaj o produkt

Pomożemy Ci dobrać rozwiązanie dopasowane do Twoich potrzeb.

Nasz dział Obsługi Klienta skontaktuje się z Tobą i omówi dalszą współpracę!

    Wybierz województwo